| XXVIII. L'essor des flores terrestres | Page de titre | XXX. L'essor des vertébrés terrestres et l'aube des reptiles |
[ p. 389 ]
Carbonifère. — La caractéristique la plus marquante des roches du Carbonifère est la présence de nombreux gisements de charbon précieux. En Amérique du Nord, la quasi-totalité du charbon de cette période s’est déposée durant le Pennsylvanien, dans l’est des États-Unis et les provinces acadiennes. Autrement dit, les charbons pennsylvaniens d’Amérique du Nord se trouvent à l’est du 100e méridien, tandis que la plupart des charbons plus récents se situent à l’ouest (voir fig., p. 402).
Les charbons les plus précieux d’Europe et de Chine se sont également déposés au Carbonifère, bien qu’en Europe, l’accumulation ait commencé plus tôt et ait duré plus longtemps. La plus grande quantité de charbon de bonne qualité au monde s’est formée durant la période des couches houillères ; on estime que les sept dixièmes de cette quantité se sont formés durant ces périodes, qui marquent la fin de l’ère paléozoïque.
Nature du charbon. — Le charbon est une masse compacte de végétaux plus ou moins transformés par décomposition, dont le résultat final est principalement du carbone. Ces végétaux s’accumulent dans les marais sous forme de tourbe, et la formation de la tourbe est expliquée aux pages 175 à 179 de la première partie de cet ouvrage ; il nous faut maintenant examiner comment la matière végétale se transforme en charbon.
Le charbon ordinaire est une masse compacte et stratifiée de végétaux ayant subi une décomposition plus ou moins complète. Il est souvent mélangé à des impuretés locales et étrangères, généralement des boues. Les végétaux composant un charbon peuvent être tous d’une seule espèce, mais ils sont généralement de plusieurs espèces. Observés au microscope en fines tranches, les éléments reconnaissables sont le plus souvent les enveloppes chimiquement résistantes des spores. Certains charbons semblent dépourvus de structure, une sorte de gelée solidifiée se brisant facilement en blocs cubiques, tandis que d’autres sont indistinctement fibreux. On observe souvent des fragments de végétaux le long des plans de stratification. Chauffés, les charbons bitumineux ramollissent, voire fondent ; mais il est erroné de penser qu’ils contiennent du bitume, [ p. 390 ] car ils sont principalement composés de carbone, avec un peu d’oxygène et d’hydrogène. On les appelle donc plus justement charbons humiques, puisque tous les charbons sont composés de matière végétale. Lorsque les matières végétales se décomposent en présence d’eau, et plus ou moins à l’abri des transformations chimiques de l’air, du dioxyde de carbone est libéré ; autrement dit, il y a une perte continue de carbone et d’oxygène. Le processus de transformation est une carbonisation par décomposition biochimique (principalement bactérienne) de la majeure partie des plantes encore présentes dans la tourbière. Cette décomposition, si elle se poursuit longtemps, transforme finalement la matière végétale en charbon humique par la perte d’hydrogène carboné, ou gaz d’éclairage. Au cours des ères géologiques, se produisent les transformations biochimiques suivantes par la perte continue d’hydrocarbures, due principalement à la pression exercée par les strates sus-jacentes (charge) ou à celle produite par leur plissement lors de la formation des montagnes. Les gaz s’échappent ensuite par les pores ou les fissures (joints et clivages) des strates, mais le succès de cette évasion dépend de la présence de couches de schiste sus-jacentes et de leur structure interne (granulométrie). En général, les couches de schiste sont imperméables aux gaz et aux eaux souterraines circulantes, mais lorsqu’elles sont sableuses ou clivées par déformation, les chances d’évasion sont considérablement accrues, ce qui donne des charbons anthracites à 95 % de carbone fixe.
Carbonisation des charbons au cours des ères géologiques. — L’anthracite se distingue du charbon humique par sa teneur plus élevée en carbone fixe et plus faible en hydrocarbures volatils. Il est bien connu que des matières volatiles s’échappent constamment du charbon et que les gaz ainsi libérés peuvent s’enflammer, provoquant des explosions dans les mines. Si ces matières volatiles s’étaient échappées constamment durant les temps géologiques, en raison des transformations dynamochimiques, on s’attendrait à ce que tous les charbons les plus anciens soient anthracitiques, ce qui est loin d’être le cas. En revanche, l’anthracite se trouve presque invariablement dans des strates plus ou moins plissées, comme dans le gisement d’anthracite de l’ est de la Pennsylvanie (voir fig. 391), et lorsque les strates sont très déformées, les charbons sont graphitiques, comme dans le Rhode Island. D’autres gisements d’anthracite, également situés en zones montagneuses, se trouvent au nord-ouest du Colorado, au sud-ouest de l’Utah, dans la chaîne des Cascades de l’État de Washington et dans le gisement de Cerrillos au Nouveau-Mexique. Ces événements ont longtemps laissé supposer que les forces à l’origine de la formation des montagnes avaient, d’une manière ou d’une autre, provoqué ce changement.
Les gisements de charbon sont presque toujours recouverts d’une couche de schiste, et dans les bassins [ p. 391 ] houillers, on trouve toujours de nombreux gisements de charbon et bien plus de couches de schiste que de charbon. Ces couches de schiste empêchent les matières volatiles du charbon de s’échapper. Dans la région de l’Ohio, de la Pennsylvanie et de la Virginie-Occidentale, on a cependant découvert dix horizons de pétrole précieux dans les grès, ce qui montre que les matières volatiles migrent dans une certaine mesure.
Dans les processus de formation des montagnes, il est bien connu que les schistes et les calcaires s’étirent bien plus que les grès et les dolomies, et qu’ils ne se fracturent pas aussi facilement, formant ainsi des crevasses. Cependant, lorsque la déformation est marquée, toutes les roches sont fortement clivées, comme en témoignent les toits d’ardoises des régions montagneuses. C’est dans ces zones que l’on trouve les charbons anthracites (voir Fig. ci-dessous). Quelle conclusion plus logique que celle-ci : les charbons anthracites et graphitiques ont perdu leurs hydrocarbures volatils non pas tant sous l’effet de la pression engendrée lors de la formation des montagnes que par le clivage et la fragmentation des strates, permettant ainsi au pétrole et au gaz de s’échapper au fil du temps ?
Preuves de l’origine végétale du charbon. — Nous verrons que les charbons reposent généralement sur des argiles riches en racines, voire sur le sol d’anciennes forêts. Dans les schistes de couverture des gisements de charbon, on observe des frondes de fougères bien conservées et des tiges ligneuses de nombreuses espèces végétales. Nombre de ces tiges sont recouvertes d’une pellicule de charbon semblable à celle des couches de charbon. Dans le charbon lui-même, il est fréquent d’observer de fines [ p. 392 ] zones de charbon impur, le charbon miellé sans valeur utilisé par les mineurs (voir Fig., p. 392) ; ce charbon est plus ou moins mélangé à de l’argile, résultant de la formation du charbon dans les zones marécageuses envahies par des courants d’eau charriant de la vase. Ces zones présentent toujours des restes végétaux, souvent de très bonne qualité. En fait, dans presque tous les charbons, même les anthracites, lorsqu’ils sont altérés, on peut observer des fibres végétales.
On peut trouver de beaux spécimens de Lepidodendron, Sigillaria et Calamites le long de certains plans de stratification du charbon. Ils sont également présents dans le charbon cannei sans texture (décrit p. 393), comme dans le comté de Breckenridge, au Kentucky, où le charbon est marqué dans toute sa masse par des tiges et des feuilles de Stigmaria et Lepidodendron, rendues distinctes par l’infiltration de sulfure de fer. Même lorsque rien de organique n’est discernable à l’œil nu, la composition végétale des charbons peut être déterminée si des lames minces convenablement préparées sont étudiées au microscope. Enfin, même les cendres présentent des cellules végétales.
LeConte a affirmé avec justesse qu’« on peut établir une gradation parfaite, du bois ou de la tourbe, d’une part, en passant par le lignite, le charbon bitumineux, jusqu’à l’anthracite et au graphite, les plus dépourvus de structure, d’autre part, démontrant ainsi qu’il s’agit de différents termes d’une même série. On retrouve également cette même série ininterrompue dans la composition chimique. Enfin, la tourbe la plus fine et la plus homogène peut, par pression hydraulique, être transformée en une substance possédant nombre des qualités et des usages du charbon. »
Matières animales dans les charbons. — On trouve parfois en abondance des poissons, des amphibiens et certains types d’invertébrés dans certains charbons (Linton, Ohio, Fig., p. 360), et il ne fait aucun doute que leurs restes décomposés ont fourni une quantité considérable de matières carbonées aux charbons tourbeux ou plus volatils.
[ p. 393 ]
Variétés de charbon. — Les variétés de charbon dépendent de sa pureté, de son degré de carbonisation et de la proportion de matières fixes et volatiles. Comme on l’a vu, le charbon est composé de matières végétales (ou combustibles) et de matières inorganiques (ou incombustibles). La proportion relative de ces dernières varie considérablement ; les charbons de bonne qualité contiennent de 1 à 5 % de cendres, tandis que le charbon dit « osseux » en contient de 30 à 40 % et est rejeté à la sortie des mines. Lorsque la teneur en cendres est très faible, il s’agit exclusivement de matières minérales absorbées par les plantes à partir du sol avec l’eau ; mais lorsqu’elle dépasse 6 à 10 %, il s’agit probablement de boues issues des eaux de tourbières et déposées par les plantes.
L’anthracite est le charbon le plus carboné, le plus dur et le plus adapté à un usage domestique, car il contient la plus grande quantité de carbone fixe (90 à 95 %). C’est une variété brillante, à fracture conchoïdale et à densité élevée, mais à faible pouvoir calorifique. Elle a perdu la quasi-totalité de ses matières volatiles et se trouve toujours dans des zones de strates plus ou moins métamorphisées et perturbées régionalement. Lorsque le charbon est composé exclusivement de carbone fixe, on l’appelle graphite. Il n’est généralement pas considéré comme une variété de charbon, car il est difficilement combustible, mais il représente manifestement le dernier terme de la série des charbons.
La semi-anthracite est également un charbon dur, contenant de 80 à 85 % de carbone fixe et de 15 à 20 % de matières volatiles. Elle est moins métamorphisée par déformation régionale que l’anthracite. Ces charbons ressemblent beaucoup à la première, mais sont plus irisés, brûlent facilement et ne s’agglomèrent pas. Leur pouvoir calorifique est élevé. On les appelle aussi souvent charbons vapeur.
Les charbons humiques (issus de l’humus ou de la moisissure végétale) sont sans doute les plus courants et peuvent être considérés comme des charbons typiques. Ils se cassent de façon rectangulaire, d’où leur appellation fréquente de charbons en blocs. On les appelle généralement charbons tendres ou bitumineux, mais cette dernière appellation est trompeuse, car les charbons ne sont pas composés de bitume, mais de matières humiques. Ces charbons contiennent de 30 à 50 % de matières volatiles, ce qui explique leur tendance à fondre et à s’agglomérer lors de la combustion ; ils sont donc utilisés pour la fabrication du coke. Lorsque la teneur en matières volatiles atteint ou dépasse 50 %, le charbon est dit « gras » et est largement utilisé pour la production de gaz d’éclairage et de coke. Le charbon cannel (dérivé de « cow-back », ainsi nommé car il brûle facilement avec une flamme semblable à celle d’une bougie) est l’un des charbons les plus gras et généralement riche en hydrogène. C’est un charbon dense, sec, sans structure, sans éclat, noir, se cassant en une forme conchoïdale. Lorsque les réserves de pétrole et de gaz naturel s’épuiseront, ces charbons seront largement utilisés pour fabriquer des substituts. Les charbons cannels doivent leur nature grasse à la grande quantité de matière végétale qui les compose, principalement des spores transformées en masses gélatineuses par les bactéries des tourbières.
Les lignites sont des charbons bruns d’aspect ligneux ou argileux, qui contiennent jusqu’à 40 % d’eau à l’état vert. Leur pouvoir calorifique est faible. En séchant à l’air, les lignites s’agglomèrent facilement et se fragmentent en morceaux plats parallèles à la stratification. Elles datent principalement du Mésozoïque ou du Génozoïque.
Teneur en soufre du charbon. — Le soufre augmente la propension du charbon à la combustion spontanée, et une teneur supérieure à 1,5 % le rend impropre à la fabrication de gaz ou de coke de haut fourneau.
[ p. 394 ]
La teneur en soufre des charbons du Pennsylvanien est très variable, allant de traces à près de 9 %. La teneur moyenne dans dix échantillons de charbon anthracite de l’est de la Pennsylvanie est de 0,6 % (0,4-1,0) ; dans soixante-dix-sept échantillons de charbon humique de l’ouest du même État, elle est de 1,4 % (0,4-5,8) ; dans vingt-quatre échantillons de charbon tendre de l’Ohio, elle est de 2,2 % (0,4-6,3) ; et dans les charbons de l’Indiana et de l’Illinois, dix-neuf échantillons présentent une teneur moyenne légèrement supérieure à 2,0 % (0,3-4). Les charbons anthracite de Pennsylvanie et les charbons humiques du gisement de Joggins semblent être entièrement d’origine d’eau douce et présentent les plus faibles teneurs en soufre. Tous les autres charbons sont intercalés avec des strates contenant plus ou moins de faune marine. Comme ces charbons proviennent de marais souvent partiellement immergés, où les bactéries sulfureuses étaient les plus abondantes, leur teneur en soufre est par conséquent beaucoup plus élevée. Le sulfure d’hydrogène est présent en grande quantité dans les tourbières accessibles à l’eau de mer, selon C.A. Davis, et rarement dans la tourbe formée en eau douce.
Taux d’accumulation du charbon. — Dans la région tempérée de l’hémisphère nord, la tourbe s’accumule actuellement dans les marécages à un rythme d’environ 30 cm tous les 10 ans. Ces 30 cm de matière végétale, une fois recouverts de 4,5 à 6 mètres de tourbe, se décomposent, principalement sous l’action de champignons et de bactéries, pour donner environ 2,5 cm de tourbe. Il apparaît donc que le taux d’accumulation actuel, mesuré à une profondeur d’environ 5,5 mètres, est d’environ 30 cm de tourbe par siècle. Par ailleurs, on a constaté que les tiges de plantes présentes dans le charbon ont aujourd’hui une épaisseur réduite de 17 à 24 fois leur épaisseur initiale, ce qui donne une idée de la quantité de matière perdue lors de la transformation des plantes vertes en charbon. À l’époque pennsylvanienne, où la végétation était luxuriante, David White estime que le taux d’accumulation aurait pu être de 60 cm par siècle. Ashley a estimé que si la tourbe compressée s’accumule à raison de 30 centimètres par siècle et que la même épaisseur de charbon se forme en trois siècles, il a fallu 2 100 ans pour former 2,1 mètres de charbon de bonne qualité comme celui du gisement de Pittsburgh. Cette estimation est probablement extrême, car ce charbon s’est accumulé sous un climat subtropical propice à une croissance luxuriante. Néanmoins, aux transformations biochimiques s’ajoutent les transformations dynamochimiques résultant de la pression exercée par la charge superposée et des mouvements crustaux, qui contribuent à consolider, dévolatiliser et déshydrater davantage le combustible.
En règle générale, les charbons noirs mettent beaucoup plus de temps à se former que les charbons bruns. Cela s’explique par le fait que, dans les charbons noirs issus des tourbières les plus matures, les eaux des marais étaient bien mieux oxygénées, ce qui entraînait, par des transformations biochimiques plus marquées, une destruction plus importante de la matière végétale que dans les charbons bruns où les eaux étaient plus stagnantes et aseptiques.
[ p. 395 ]
Thiessen affirme que le charbon est principalement un résidu végétal, constitué essentiellement des parties les plus résistantes* telles que les cuticules, les enveloppes de spores et de pollen, l’écorce, le liège et les enrobages cireux. Ces derniers sont composés principalement de résines, de cires résineuses, de cires et de graisses supérieures, ainsi que de quantités variables de cellulose.
En règle générale, les couches de charbon se trouvent entre des sédiments grossiers, c’est-à-dire qu’elles sont intercalées avec des grès et des schistes, et les coupes présentent une absence plus ou moins complète de strates marines et d’animaux.
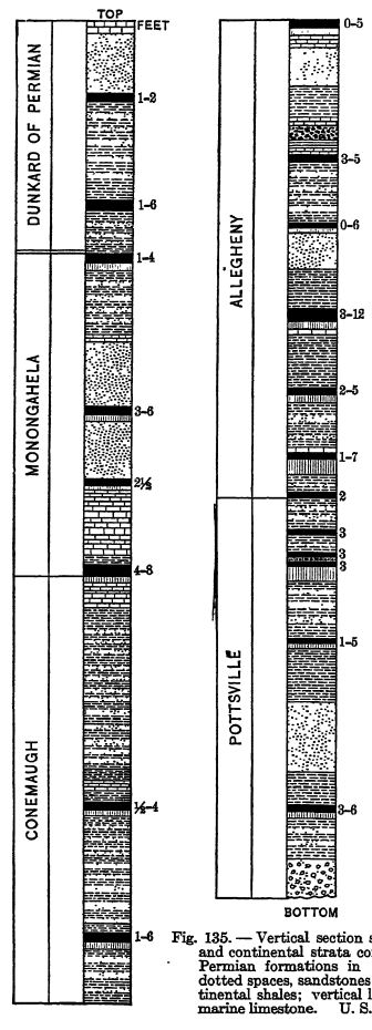
Les calcaires peuvent être totalement absents, et lorsqu’ils sont intercalés avec les schistes charbonneux, ils sont minces et dépourvus d’organismes marins avérés. On sait que des gisements de charbon reposent directement sur des calcaires marins (à crinoïdes dans l’Ohio et en Pennsylvanie), mais on n’y trouve aucun fossile marin, même dans les couches les plus basales. Autrement dit, il n’y a pas de transition directe entre une faune marine pure et un gisement de charbon. On observe cependant fréquemment des calcaires impurs recouvrant directement le charbon (calcaire d’Ames [ p. 396 ] sur 60 cm de charbon pur à Allegheny, en Pennsylvanie, voir fig. ci-dessus), mais les contacts sont nets et il n’y a pas de transition avec le charbon. Les schistes de couverture des gisements de charbon sont généralement riches en fines frondes de fougères, mais on trouve parfois des couvertures charbonneuses très impures contenant des brachiopodes à coquille phosphatée, voire une faune marine naine éparse (Seville, Illinois). Dans tous ces cas, il s’agit des couches basales de la mer envahissante, dont l’eau a pu ou non remuer la matière tourbeuse molle et la redéposer ensuite sous forme de boue bitumineuse, avec les coquilles qu’elle contenait.
Dans la grande majorité des cas, les gisements de charbon reposent sur une sous-couche d’argile généralement non stratifiée et remplie de racines et radicelles. Dans d’autres cas, les racines sont totalement absentes, bien que ces argiles présentent généralement une fracture verticale avec quelques conduits courts et fins encore visibles, vestiges d’anciennes racines. Ces sous-couches d’argile renferment parfois les troncs enracinés de l’ancienne forêt, comme dans la mine de charbon de Parkfield, en Angleterre (voir fig. ci-contre). Les sous-couches d’argile sont donc soit d’anciens sols, soit les fonds argileux des marais. Ces sols peuvent être sableux, mais il s’agit le plus souvent de véritables argiles alumineuses, appelées alors argiles réfractaires. Elles sont décrites dans le chapitre consacré au Pennsylvanien.
Conditions favorables à la formation du charbon. — Les caractéristiques physiques les plus remarquables du Pennsylvanien étaient les nombreux et vastes marécages, dont la grande majorité se situait près du niveau de la mer. Ce niveau marin était cependant fluctuant, et bien que ses variations n’aient probablement pas excédé 15 mètres, l’étendue considérable des vasières et des deltas entraînait une inondation importante de ces derniers lors des montées des eaux. Cette oscillation du niveau marin était due à l’importante agitation crustale du Pennsylvanien ; à chaque montée des eaux, les rivières étaient barrées et les eaux recouvrant les vasières devenaient plus ou moins marines, déposant des boues et des calcaires vaseux souvent riches en vestiges d’organismes marins (voir Pl., p. 365). Lors des soulèvements du terrain, à l’origine des périodes de marée basse, les cours d’eau se renouvelaient, érodant une partie des dépôts de l’ancien fond marin et répandant [ p. 397 ] sur les basses terres d’épais grès et schistes sableux, qui abritent très rarement des organismes marins (voir fig., p. 392 et 398). À ces époques, et également lorsque les bassins marins étaient comblés de sédiments, de vastes marais d’eau douce et d’eau salée ainsi que des lacs peu profonds se formaient. Autour de leurs rives se développaient les forêts de marais (voir fig. ci-dessous), qui recouvraient l’ensemble des plaines et des zones lacustres et remplissaient les bassins de masses gélatineuses ou gluantes de matière carbonée. Ces alternances entre terre et mer se répétaient à de nombreuses reprises.
On en conclut donc que les gisements de charbon se forment généralement naturellement sur leur lieu d’occurrence, dans les marais d’eau douce. Ces charbons résultent principalement d’une croissance in situ dans les deltas et les vallées fluviales, comme ceux de Joggins, ou plus rarement de matériaux transportés par les courants lacustres, à l’instar de ceux de Commentry. Il s’agit des charbons limnétiques (du grec « limnétique », signifiant « qui pousse dans un marais d’eau douce »). Des charbons se sont également formés in situ près du niveau de la mer, aux abords des mers épicontinentales ou sur les plateaux continentaux, par des plantes poussant derrière des barrières marines dans des marais dont les eaux, d’abord saumâtres, sont devenues douces par la suite. Ce sont les charbons paraliques (signifiant « qui poussent en bord de mer »), souvent d’une grande étendue ; ils comprennent essentiellement ceux de l’époque pennsylvanienne. La grande pureté de nombreux charbons est une preuve supplémentaire qu’ils se sont formés là où la matière organique s’est déposée, car s’ils sont composés de végétaux transportés par le courant, ce dernier a nécessairement aussi transporté de la boue, voire du sable, qui se serait déposé avec la matière organique.
Nombre de couches de charbon dans un gisement. — En Pennsylvanie, on compte vingt-neuf couches de charbon, pour une épaisseur totale maximale de 32 mètres (106 pieds). En Indiana, il y en a vingt-cinq, pour une épaisseur totale de 27 mètres (90 pieds), et en Illinois, dix-sept. Les gisements de charbon du sud du Pays de Galles, de Bristol et du Somersetshire comprennent quatre-vingt-cinq couches différentes. Dans la région de Sarrebruck, en Allemagne, on en dénombre vingt, sans compter celles de moins de 30 centimètres (un pied) d’épaisseur.
Gisement de charbon de Pittsburgh. — Le plus grand marécage houiller de l’époque pennsylvanienne fut celui qui forma le gisement de charbon de Pittsburgh, s’étendant sans interruption sur 362 km (225 miles) du nord-est au sud-ouest et sur 161 km (100 miles) d’est en ouest. Ce marécage était vingt-deux fois plus grand que l’actuel marais Dismal de Virginie-Caroline du Nord ; il ne faut cependant pas supposer que toute la région était un marécage houiller continu, car il existait sans aucun doute de nombreuses zones sèches intermédiaires. I.C. White indique que le charbon de Pittsburgh est exploitable sur plus de 15 500 km² (6 000 miles carrés) de l’ouest de la Pennsylvanie, de l’est de l’Ohio et de la Virginie-Occidentale, une superficie six fois supérieure à celle du marais Dismal. Ce dernier, avant d’être drainé, couvrait une superficie de 64 km sur 40 km (40 miles sur 25) et constitue aujourd’hui un important gisement houiller en formation, recouvert par endroits d’une couche de tourbe atteignant 4,5 m (15 pieds) d’épaisseur (voir figures, p. 177, 178 et 181 de la partie I).
[ p. 398 ]
Épaisseur des gisements de charbon. — L’épaisseur des gisements de charbon varie d’une simple pellicule à plus de 24 mètres. Un gisement exploitable doit avoir une épaisseur minimale de 60 cm, et il est très rare qu’il dépasse 2,4 à 3 mètres. L’immense gisement d’anthracite de Pennsylvanie atteint une épaisseur d’environ 14 mètres. Le gisement de charbon [ p. 399 ] tendre de Pittsburgh varie jusqu’à 5 mètres, avec une moyenne de 1,8 à 3 mètres. Dans le bassin du Commentry, en France centrale, on trouve un gisement de charbon unique du Permien inférieur qui dépasse localement 24 mètres d’épaisseur.
Variabilité de la sédimentation. — Dans les bassins houillers, la sédimentation présente une variabilité marquée. Les grès et les schistes argileux sont les formations les plus variables et leur répartition géographique est très irrégulière. Les horizons les plus persistants sont les couches de charbon les plus épaisses, les schistes argileux marins calcaires et surtout les calcaires marins. En Pennsylvanie, on dénombre au moins cent quinze de ces alternances sur 792 mètres de strates, et en Indiana, cent vingt et une sur 396 mètres.
La coupe de Joggins. — Les formations houillères décrites précédemment étaient des dépôts plus ou moins soumis à l’influence de la mer. Nous allons maintenant nous intéresser à la célèbre coupe de Joggins en Nouvelle-Écosse, d’origine différente, et dont presque chaque mètre peut être étudié à l’embouchure de la baie de Fundy.
Le nom Joggins semble provenir du mouvement de va-et-vient du rivage. L’épaisseur totale de cette section est de près de 13 000 pieds et elle date apparemment du Pennsylvanien. [ p. 400 ] Dans cette masse de matériaux grossiers, très largement teintés de rouge, personne n’a encore trouvé d’assemblage de véritables fossiles marins, ni même un seul brachiopode ou autre animal marin incontestable. Les fossiles se trouvent principalement dans les plantes terrestres, mais celles-ci sont abondantes uniquement dans les toits des couches de charbon, tandis que les troncs d’arbres dérivants et couchés sont presque tous confinés aux grès gris et verts, où ils se présentent sous forme de moulages. La « Division 4 » de Logan, d’une épaisseur de 2 539 pieds, est le principal horizon fossilifère avec formation de charbon, et regorge souvent de bivalves d’eau douce, d’escargots respirant de l’air, de crustacés bivalves, de minuscules tubes de vers, ainsi que d’ossements et de traces d’amphibiens. Même les empreintes de gouttes de pluie sont conservées. Les marécages houillers étaient, en règle générale, éphémères, et les plus persistants étaient souvent envahis par des eaux boueuses qui déposaient, au-dessus des charbons purs sous-jacents, de nombreuses zones schisteuses noires.
Une étude plus approfondie de cette section révèle clairement que seuls les troncs couchés ont été transportés hors de leur lieu de croissance et que leurs vestiges sont aujourd’hui visibles sous forme d’empreintes dans les grès. Les charbons eux-mêmes, quelle [ p. 401 ] que soit leur épaisseur, se sont formés dans des marais d’eau douce aux endroits où ils se trouvent actuellement, car la plupart reposent sur des sols marécageux encore riches en racines fossilisées. De plus, de nombreux sols supplémentaires sont préservés, dont la végétation exposée a été emportée par les eaux qui ont apporté les boues et les sables envahissants. Une preuve supplémentaire de l’origine in situ des charbons, c’est-à-dire à leur emplacement actuel, est apportée par les troncs de Sigillaria et de Calamites encore dressés à leur lieu de croissance (Fig., pp. 399 et 400). Nombre de ces troncs sont disposés en strates superposées ; Logan en recense soixante-et-onze dans la seule Division 4 (voir aussi p. 396). Ces troncs dressés ont fasciné tous les géologues depuis leur découverte par Richard Brown en 1829, et les dessins qu’en ont faits Logan, Lyell et Dawson figurent dans la plupart des manuels de géologie. Ils mesurent jusqu’à 7,6 mètres de long, et certains atteignent 1,2 mètre de diamètre. Ces observations confirment l’hypothèse de Lyell selon laquelle ce qu’il a vu en 1842 à Joggins prouve la formation in situ de ces gisements de charbon. Des arbres fossiles dressés similaires sont également connus en Angleterre et en France.
Les bassins houillers de Pennsylvanie en Amérique. — Les bassins houillers de l’époque pennsylvanienne en Amérique couvrent une superficie estimée à plus de 252 000 milles carrés, soit une superficie considérablement supérieure à celle de tout autre continent (voir carte, p. 402). La Chine possède la deuxième plus grande superficie, légèrement inférieure à celle des États-Unis ; la Russie, 27 000 milles carrés ; la Nouvelle-Galles du Sud, en Australie, 16 500 ; la Grande-Bretagne, 9 000 ; l’Allemagne, 3 600 ; et la France, 1 800.
Il existe six gisements de charbon d’âge pennsylvanien en Amérique du Nord. Les voici (voir carte 2, p. 355) :
1. Géorgie acadienne. — Les formations de charbon pennsylvaniennes de l’est du Canada, d’une superficie estimée à environ 18 000 milles carrés, se trouvent en Nouvelle-Écosse, au Nouveau-Brunswick, au Cap-Breton et, dans une moindre mesure, dans l’ouest de Terre-Neuve. Ces charbons sont tous limnétiques.
2. Bassin houiller de Rhode Island. — Il s’agit du plus petit bassin houiller, couvrant 500 milles carrés à la frontière entre le Rhode Island et le Massachusetts. Les charbons sont d’origine limnétique et sont aujourd’hui fortement anthraciteux et graphitiques.
3. Gisement des Appalaches. — Dans l’est de la Pennsylvanie se trouve un gisement isolé de charbon anthracite limnétique couvrant une superficie de seulement 500 milles carrés ; il s’agit cependant de loin du gisement d’anthracite le plus productif d’Amérique.
Ce gisement possède également la zone la plus productive de charbons humiques paraliques d’Amérique, couvrant environ 70 800 milles carrés dans neuf États, s’étendant de la frontière nord de la Pennsylvanie et de l’est de l’Ohio vers le sud-ouest sur 850 milles jusqu’au centre de l’Alabama, et des Appalaches vers l’ouest jusqu’au soulèvement de Cincinnati.
4. Géage du Michigan. — Le gisement de charbon humique paralique du sud du Michigan couvre une superficie d’environ 11 000 milles carrés. Toute prospection se fait par forage, car la région est profondément recouverte de matériaux glaciaires.
[ p. 402 ]
5. Bassin intérieur de l’Est. — Il s’agit d’un bassin houiller isolé situé dans l’Indiana, l’Illinois et l’ouest du Kentucky, couvrant environ 58 000 milles carrés. Les charbons sont humifères tendres et intercalés avec des zones marines.
6. Géage intérieur de l’Ouest. — Il s’agit du plus vaste bassin houiller, bien que sa production ne soit pas la plus importante. Il couvre environ 94 000 milles carrés, situé à l’ouest du soulèvement des Ozarks et s’étendant du nord de l’Iowa et du Nebraska vers le sud-ouest sur 880 milles jusqu’au centre du Texas. Il possède une extension orientale au sud des Ozarks, du centre de l’Oklahoma jusqu’à l’Arkansas. Les charbons sont humifères tendres et d’origine parahc.
Gaspillage de charbon dans les mines. — Aux États-Unis, la quantité de charbon impur dans presque tous les gisements varie de 10 à 50 %, avec une moyenne de 25 %. Actuellement, tout ce charbon est jeté, alors qu’une grande partie pourrait servir à la production de gaz pour moteurs à gaz. En raison de méthodes d’exploitation défectueuses, d’erreurs d’ingénierie, d’éboulements, de glissements de terrain et d’écrasements, environ 30 à 40 % du charbon présent dans les mines n’est jamais extrait et est donc perdu. Autrement dit, environ 40 à 70 % du charbon présent est gaspillé ou inutilisé et ne sera jamais récupéré après l’abandon des mines. « Si les méthodes gaspilleuses du passé continuent », déclare I. C. White, « si les flammes de 35 [ p. 403 ] 000 fours à coke continuent de rendre le ciel lugubre à la vue de la ville de Pittsburgh, consommant à une vitesse effrayante un tiers de l’énergie et la moitié des valeurs enfermées dans ces inestimables réserves de charbon à coke, le siècle actuel verra la fin de la suprématie industrielle américaine dans le secteur du fer et de l’acier dans le monde. »
Production de charbon. — En 1912, la production de charbon tendre aux États-Unis s’élevait à 450 millions $ 518,000,000. The anthracite output of Pennsjdvania for the same year was 75.000. 000 tons, valued at $ de tonnes courtes, d’une valeur de 177 millions de dollars. En 1913, 750 000 hommes travaillaient dans les mines de charbon. De 1814 à la fin de 1900, les États-Unis avaient produit 4,47 millions de tonnes courtes de charbon, et à la fin de 1914, ce total avait atteint 10,358 millions de tonnes courtes. La quantité totale de charbon aux États-Unis, à moins de 914 mètres (3 000 pieds) de la surface, est estimée par M.R. Campbell à environ 3,54 milliards de tonnes. En Nouvelle-Écosse, on estime à au moins 7 milliards de tonnes la quantité de charbon exploitable. Gibson estime la quantité totale de charbon disponible dans le monde à environ 11 801 000 millions de tonnes. Parmi celles-ci, on compte environ 500 000 millions de tonnes d’anthracite, 3 903 000 millions de tonnes de charbon humique et 7 398 000 millions de tonnes de lignite. Ces estimations ne tiennent toutefois pas compte du charbon non exploitable ni des pertes liées à l’extraction minière.
En 1815, année de la bataille de Waterloo, la production mondiale de charbon était inférieure à 15 millions de tonnes ; un siècle plus tard, elle dépassait 1,3 milliard de tonnes, soit une augmentation de près de cent fois. En 1913, les États-Unis produisaient la plus grande part de la production mondiale de charbon (39 %) et en consommaient 37 %. La Grande-Bretagne arrivait ensuite avec 22 % de la production, dont elle consommait 15 %. L’Allemagne occupait la troisième place, ayant extrait 21 % du charbon et en ayant consommé 19 %. Pour un pays manufacturier, le charbon est essentiel à la prospérité nationale. J.W. Gregory affirme que la Grande-Bretagne n’a extrait qu’environ 6 % de ses réserves de charbon disponibles et que, au rythme de consommation actuel, ces réserves dureront environ 600 ans. Celles des États-Unis et de l’Allemagne leur permettraient, au rythme actuel, de subvenir à leurs besoins pendant 1 500 ans.
Richesse minière des États-Unis. — Selon C.K. Leith, la production minière mondiale annuelle s’élève à près de 1,7 milliard de tonnes, dont plus de 90 % sont constitués de charbon et de fer. Sur l’ensemble des minéraux produits annuellement, environ deux tiers sont utilisés dans les pays producteurs, le reste étant exporté. L’immense richesse minière des États-Unis est illustrée par le fait que ce pays produit un tiers des minéraux mondiaux (en 1913, la valeur était d’environ 2,5 milliards de dollars) [ p. 404 ] ; l’Allemagne moins de 15 % ; la Grande-Bretagne 11 % ; et aucun autre pays plus de 5 %. L’Amérique dépend d’autres pays pour ses nitrates, sa potasse, son manganèse, sa chromite, sa magnésite, son étain, son nickel, son platine, son mica, son graphite, son amiante, sa craie, son cobalt, etc., mais elle est néanmoins plus proche de l’autosuffisance en ce qui concerne les minéraux dans leur ensemble que tout autre pays.
Le charbon exportable mondial est contrôlé par l’Amérique du Nord, qui fournissait en 1913 environ 40 % de la production mondiale, par l’Angleterre et par l’Allemagne (l’Europe en fournissant 54 %). Les États-Unis dominent le marché mondial du cuivre (65 %) et du pétrole (environ 70 %), et jouent également un rôle très important dans l’approvisionnement mondial en soufre (50 %), phosphate, argent, fer (38 %) et ciment. Nous disposons d’un excédent annuel d’exportation de minéraux d’environ un milliard de dollars et devons en importer pour environ 175 millions de dollars par an. Ce sont ces richesses naturelles qui font la puissance mondiale à l’ère de l’industrialisation.
Pour un bon aperçu des ressources minérales mondiales, voir L’Atlas mondial de la géologie commerciale, publié par l’United States Geological Survey en 1921.
M. R. Campbell, Les gisements de charbon des États-Unis. U. S. Geological Survey, Professional Paper 100-A, 1917.
A. H. Gibson, Sources naturelles d’énergie. Cambridge (University Press), 1913.
E. C. Jepfket, Le mode d’origine du charbon Journal de géologie, Vol. 23, 1915, pp. 21S— 230.
K. C. Jepfret, La structure et l’origine des charbons à coke. Science, nouvelle série, Vol. 58, 1923, pp. 285-286.
Mabie C. Stopes et R. V. Wheeler, Constitution du charbon. Département de la recherche scientifique et industrielle, Londres, 1918.
H. G. Turner et H. R. Randall, Rapport préliminaire sur la microscopie du charbon anthracite. Journal of Geologj’, Vol. 31, 1923, pp. 306-313.
D. Whitb et R. Thiessen, L’origine du charbon. U. S. Bureau of Mines, Bulletin 38, 1913.
Les ressources en charbon du monde. Douzième Congrès géologique international, Canada, 1913.
Atlas mondial de géologie commerciale. U. S. Geological Survey, 1921. Charbon, pp. 9-16.
| XXVIII. L'essor des flores terrestres | Page de titre | XXX. L'essor des vertébrés terrestres et l'aube des reptiles |